2 Bit Flash Adc Circuit Diagram

2 Bit Flash Adc Circuit Diagram. Web today we'll learn how to simulate a flash adc circuit using ni multisim 14 : The process of adc can be done like the following.

Block diagram of Flash ADC (Adapted from CMOS circuit design, layout
Block diagram of Flash ADC (Adapted from CMOS circuit design, layout from www.researchgate.net

Each of the comparators is designed to switch at a specific reference voltage. Flash adcs (sometimes called parallel adcs) are the fastest type of adc and use large numbers of comparators. This adc is expected to be used within a.

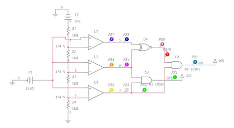
Web Block Diagram Of 5 Bit Flash Adc Scientific.


First, the analog signal is. What is analog to digital converter adc using lm324 ic circuits gallery. This adc is expected to be used within a.

The Disadvantage Of This Circuit, However, Is That It Requires 2𝑛𝑛−1 Comparators, Where N Is The Number Of Bits.


Web the block diagram of adc is shown below which includes sample, hold, quantize, and encoder. Flash adcs (sometimes called parallel adcs) are the fastest type of adc and use large numbers of comparators. Figure 1 shows a typical flash adc block diagram.

If One Of The Comparators In The First 3.


Web today we'll learn how to simulate a flash adc circuit using ni multisim 14 : Berdasarkan konversinya adc memiliki beberapa jenis antara lain adc jenis ramp (digital ramp), flash, sar (successive. Web compared to other types of adc circuits.

Each Of The Comparators Is Designed To Switch At A Specific Reference Voltage.


The process of adc can be done like the following. Shows the block diagram of a.