2010 Odyssey Injector Circuit Diagram

2010 Odyssey Injector Circuit Diagram. Cover b, fuel connector (black) 8. Repair tips & secrets only mechanics know 335k views 2 years ago easy fix!

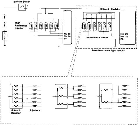
Injector Actuation Circuit DENSO CRS Operation Diesel Engine
Injector Actuation Circuit DENSO CRS Operation Diesel Engine from www.dieselmotors.info

Delivery time is approximately five weeks. Read in this article you will find a description of fuses and relays honda,. Web car neutral safety wire location:

Web A 2010 Honda Odyssey Alternator Wiring Diagram Is An Electrical Schematic That Tells You How The Electrical Components In Your Vehicle Are Connected To Each Other.


Web car neutral safety wire location: Web engine mount control unit internal circuit malfunction ('07 model j35a7 engine) p0a14; Use this information for installing car alarm, remote car starters and keyless entry.

2008, 2009, 2010 Primary Engine Compartment Fuse Box.


Delivery time is approximately five weeks. Get access all wiring diagrams car. Cover b, fuel connector (black) 8.

At Pcm Module Under The Hood On The Right Side.


Front engine mount actuator circuit malfunction ('08 model. Web my amazon affiliate links: Repair tips & secrets only mechanics know 335k views 2 years ago easy fix!

Web To Purchase Printed Manuals, You Can Order Online Or Contact:


Web automatic a/c wiring diagram (1 of 3) for honda odyssey ex 2010. Read in this article you will find a description of fuses and relays honda,.